Sale
CODE: HELLAH84489001



- Description
- Fitment
- Reviews
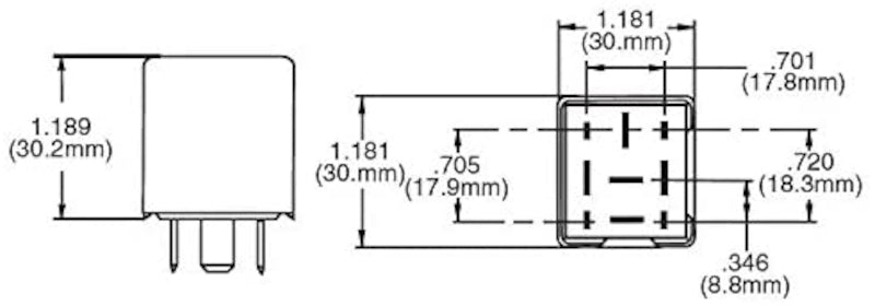
HELLA Relay's manage key electrical circuits including central locking, lighting, and engine cooling fans. It is compatible with various 12V systems using a 4-pin connector for reliable operation. Our relay's ensure consistent performance for essential automotive functions.